储能
应用概述
应用概述
储能可实现新能源电力上网、保持电网高效安全运行和电力供需平衡,特别是大规模新能源发电环节,储能系统有利于削峰填谷,使光伏、风力发电等不稳定电力平滑输出。
芯太阳集团已在效率、创新、性能和成本方面成为推动储能解决方案 (ESS) 的优选厂商。芯太阳集团的分立式 SJ MOSFET、SiC 、VD MOSFET、IGBT单管和IGBT模块、以及高度集成式Easy 3B、Flow 2等产品为各式储能系统提供最优解决方案。
、
储能
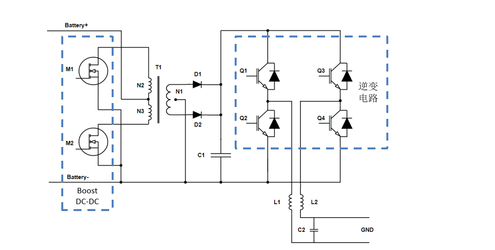
应用系统图
应用系统图
储能
应用拓扑图
应用拓扑图
储能
推荐产品
推荐产品
IGBT单管产品清单
| Part Number | VCE(V) | Ic(A)@100℃ | Vcesat(V) @25℃ typ |
Eon(mJ) | Eoff(mJ) | Package | Datasheet |
|---|---|---|---|---|---|---|---|
| MPBW40N65E | 650 | 40 | 1.5 | 0.94 | 0.85 | TO-247 | Download |
| MPBW40N65EH | 650 | 40 | 1.5 | 0.81 | 0.85 | TO-247 | Download |
| MPBW50N65EH | 650 | 50 | 1.54 | 1.14 | 1.26 | TO-247 | Download |
| MPBW15N120BF | 1200 | 15 | 1.8 | 1.17 | 0.95 | TO-247 | Download |
| MPBW25N120BF | 1200 | 25 | 1.9 | 1.6 | 1.9 | TO-247 | Download |
| MPBW40N120BF | 1200 | 40 | 1.85 | 1.6 | 3.0 | TO-247 | Download |
| MPBQ75N120E | 1200 | 75 | 1.58 | 4.97 | 3.42 | TO-247 plus | Download |
| MPBQ100N120E | 1200 | 100 | 1.7 | 8.9 | 6.2 | TO-247 plus | Download |
IGBT模块产品清单
| Part Number | VCE(V) | Ic(A)@100℃ | Vcesat(V) @25℃ typ |
Eon(mJ) | Eoff(mJ) | Package | Datasheet |
|---|---|---|---|---|---|---|---|
| MPFF200R12KBF | 1200 | 200 | 2 | 8.8 | 13.6 | 62mm module | Download |
| MPFF200R12RB | 1200 | 200 | 2.26 | 22.7 | 17.1 | 34mm module | Download |
| MPFF450R12KBF | 1200 | 450 | 2.04 | 88.4 | 43.7 | 62mm module | Download |
| MPFF600R12MBF M3 | 1200 | 600 | 2.2 | 151.3 | 88.6 | EconoDUAL 3 | Download |
硅基芯片及模组系列
第三代半导体芯片及模组系列